联系我们 | 更多分站 您好,欢迎来到消防改造工程设计公司!
全国咨询热线13600906870
联系我们Contact us
全国咨询热线13600906870

消防改造工程设计公司

公司地址:福建省泉州市晋江市梅岭街道梅庭社区长兴路376号华苑新村53栋301室

联系电话:13600906870

公司邮箱:285035045@qq.com

公司新闻

德化厂房安全疏散距离计算注意事项

作者: 发布时间:2024-06-11 18:45:38点击:4054

信息摘要:

厂房安全疏散距离计算注意事项

事故警示:消防安全中不可忽视的“安全疏散距离”问题

安全疏散是建筑防火设计的一项重要内容,它主要包括人员密度计算、疏散宽度指标、疏散距离指标等参数
安全疏散距离是控制安全疏散设计的基本要素,疏散距离越短,人员的疏散过程越安全,该距离的确定既要考虑人员疏散的安全,也要兼顾建筑功能和平面布置的要求。安全疏散距离包括两个部分:一是房间内最远点到房门的疏散距离;二是从房门到疏散楼梯间或外部出口的距离
一、厂房的安全疏散距离
确定厂房的安全疏散距离,需要考虑楼层的实际情况(如单、多、高层)、生产的火灾危险性类别及建筑物的耐火等级等。厂房内任一点到最近安全出口的直线距离不应大于下表的规定。

图片

注:1 火灾危险性越大,安全疏散距离要求越严格。
2 厂房耐火等级越低,安全疏散距离要求越严格。
厂房的安全疏散距离规范指的是厂房内任一点到最近安全出口的距离,而不是厂房内任一点到疏散门的距离或者疏散门到安全出口的距离。
对于厂房,规范没有设置自动喷水灭火系统时,安全疏散距离增加25%的规定。
图片
二、仓库的安全疏散距离
由于仓库内人员较少,且对仓库内环境比较了解,故规范未规定仓库的安全疏散距离。
三、公共建筑的安全疏散距离
1.直通疏散走道的房间疏散门至最近安全出口的直线距离不应大于下表的规定。
图片
注:1 设置自动喷水灭火系统的建筑,其安全性能有所提高,所以建筑物内全部设置自动喷水灭火系统时,其安全疏散距离可按上表的规定增加25%。 
图片
2 敞开式外廊通风、采光、降温等方面情况较好,对安全疏散有利,所以建筑内开向敞开式外廊的房间疏散门至最近安全出口的直线距离可按上表的规定增加5m。  

图片
举例:如一设有敞开式外廊的多层办公楼,当未设置自动喷水灭火系统时,其位于两个安全出口之间的房间疏散门至最近安全出口的疏散距离为40+5=45(m);当设有自动喷水灭火系统时,该疏散距离可为40×(1+25%)+5=55(m)。即,对于一座全设置自动喷水灭火系统的建筑,且符合设置敞开式外廊或敞开楼梯间的要求时,其疏散距离是先增加25%后,再进行增减。
敞开楼梯间在火灾时会变成烟气蔓延的主要通道,所以直通疏散走道的房间疏散门至最近敞开楼梯间的直线距离,当房间位于两个楼梯间之间时,应按上表的规定减少5m;当房间位于袋形走道两侧或尽端时,应按本表的规定减少2m。    
图片
2. 楼梯间应在首层直通室外,确有困难时,可在首层采用扩大的封闭楼梯间或防烟楼梯间前室。当层数不超过4层且未采用扩大的封闭楼梯间防烟楼梯间前室时,可将直通室外的门设置在离楼梯间不大于15m处。    
图片

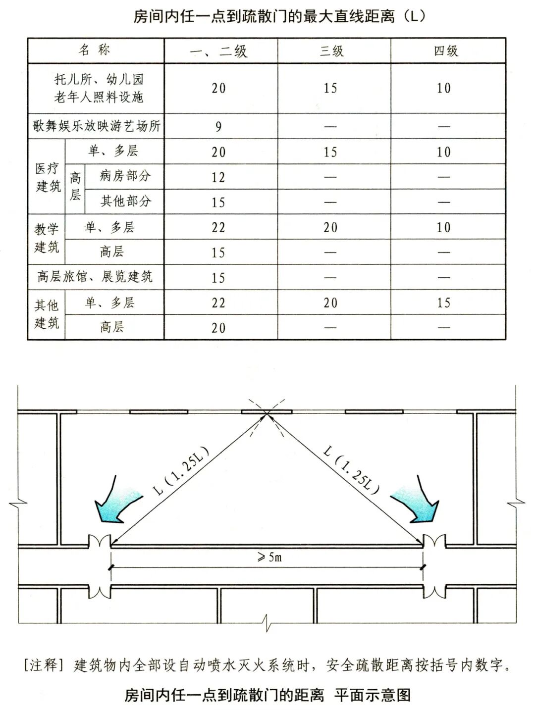
3. 房间内任一点至房间直通疏散走道的疏散门的直线距离,不应大于下表的规定。 
图片
4.一、二级耐火等级建筑内疏散门或安全出口不少于2个观众厅、展览厅、多功能厅、餐厅、营业厅等,其室内任一点至最近疏散门或安全出口的直线距离不应大于30m;当疏散门不能直通室外地面或疏散楼梯间时,应采用长度不大于10m的疏散走道通至最近的安全出口。当该场所设置自动喷水灭火系统时,室内任一点至最近安全出口的安全疏散距离可分别增加25%
图片
举例:当某营业厅需采用疏散走道连接至安全出口,且该疏散走道的长度为10m时,该场所内任一点至最近安全出口的疏散距离可为30×(1+25%)+10×(1+25%)=50(m)。即,营业厅内任一点至其最近出口的距离可为37.5m,连接走道的长度可以为12.5m,而不能营业厅内是35m,走道是15m,这就是可分别增加25%的意思
四、住宅的安全疏散距离
1.住宅建筑内直通疏散走道的户门至最近安全出口的直线距离不应大于下表的规定。(住宅在考试中涉及较少,且与公共建筑有很多相似之处,故不再详细列举)
图片
注:1 开向敞开式外廊的户门至最近安全出口的更大直线距离可按上表的规定增加5m。    
2 直通疏散走道的户门至最近敞开楼梯间的直线距离,当户门位于两个楼梯间之间时,应按本表的规定减少5m;当户门位于袋形走道两侧或尽端时,应按上表的规定减少2m。    
3 住宅建筑内全部设置自动喷水灭火系统时,其安全疏散距离可按上表的规定增加25%。    
4 跃廊式住宅的户门至最近安全出口的距离,应从户门算起,小楼梯的一段距离可按其水平投影长度的1.50倍计算。    
2.楼梯间应在首层直通室外,或在首层采用扩大的封闭楼梯间或防烟楼梯间前室。层数不超过4层时,可将直通室外的门设置在离楼梯间不大于15m处。    
3.户内任一点至直通疏散走道的户门的直线距离不应大于上表规定的袋形走道两侧或尽端的疏散门至最近安全出口的更大直线距离。    
注:跃层式住宅,户内楼梯的距离可按其梯段水平投影长度的1.50倍计算。

2018年8月25日,位于哈尔滨市松北区的哈尔滨北龙汤泉休闲酒店有限公司发生重大火灾事故,过火面积约400平方米,造成20人死亡,23人受伤。
火灾蔓延扩大原因:
火灾发生前一日,北龙汤泉酒店三层客房领班张磊使用灭火器箱挡住E区三层常闭式防火门,使其始终处于敞开状态。起火后,塑料绿植装饰材料燃烧产生的大量含有二氯乙烷、丙烯酸甲酯、苯系物等有毒有害物质的浓烟,迅速通过敞开的防火门进入E区三层客房走廊,短时间内充满整个走廊并渗入房间,封死逃生路线,导致楼内大量人员被有毒有害气体侵袭,很快中毒眩晕并丧失逃生能力和机会。
事故间接原因:
北龙汤泉酒店消防安全管理混乱,消防安全主体责任不落实:酒店建筑结构不符合人员密集场所的安全需要,内部格局复杂,疏散通道混乱,各功能区间未设置有效防火分隔,存在重大消防隐患。
燕达宾馆违法组织改扩建和装修施工:燕达宾馆租赁房屋后,未经批准违法组织改扩建和装修施工,在原始建筑基础上,用彩钢板进行加高接层,并将各单体建筑采用钢结构进行连接


本文标签:
在线客服
联系方式

热线电话

13600906870

上班时间

周一到周五

公司电话

13600906870

二维码
线